

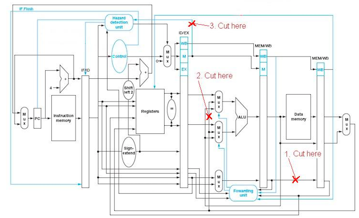
Consider the MIPS diagram shown here. Which code will fail if the line marked as 2 is cut? O add Ss1, St0, $t1 add
PayPal Gateway not configured
PayPal Gateway not configured


Consider the MIPS diagram shown here. Which code will fail if the line marked as 2 is cut? O add Ss1, St0, $t1 add
PayPal Gateway not configured
PayPal Gateway not configured