

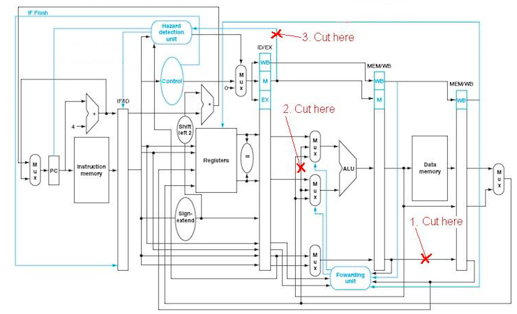
Consider the MIPS diagram shown here. Which code will fail if the line marked as 1 is cut? O beq S0, S0, exit O bne S0, 50, exit Show transcribed image text
Expert Answer
An answer will be send to you shortly. . . . .


Consider the MIPS diagram shown here. Which code will fail if the line marked as 1 is cut? O beq S0, S0, exit O bne S0, 50, exit Show transcribed image text
An answer will be send to you shortly. . . . .