Course Solutions Uncategorized (Answered) : Take F1 4kn F2 10kn F3 7 Kn 2 04 M 04 M F 09 M 5 M 2 M Q28734666

(Answered) : Take F1 4kn F2 10kn F3 7 Kn 2 04 M 04 M F 09 M 5 M 2 M Q28734666

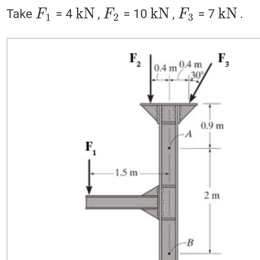
Take F1:4kN , F2 = 10kN , F3 = 7 kN 2 0.4 m 0.4 m, F 0.9 m 5 m 2 m

media%2F027%2F027b1a53-8d65-4d88-ae51-b9

media%2F821%2F821e4698-18ee-48ff-a127-b7

media%2Fd58%2Fd588b2c8-e0c6-4e28-9079-a6

Take F1 = 4 kN , F2 = 10 kN , F3 = 7 kN .

Take F1:4kN , F2 = 10kN , F3 = 7 kN 2 0.4 m 0.4 m, F 0.9 m 5 m 2 m Show transcribed image text

Expert Answer 


A solution will be send to your mail shortly . . . .

Leave a Reply

Your email address will not be published. Required fields are marked *

Related Post